您好,欢迎进入济宁安顺矿用设备有限公司官网!
网站地图
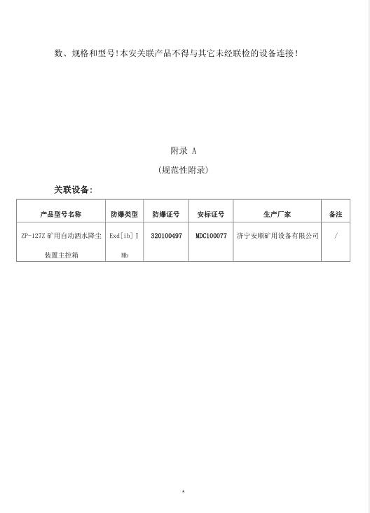
( / )
加入收藏
联系我们
全国咨询热线
0537-4269799
网站首页
公司简介
公司简介
防爆合格证
公司文化
安全标志证书
人才招聘
产品展示
传感器
电动球阀
过滤器
红外接收发射器
系列矿用喷嘴
主控箱
自动洒水降尘装置
无线降尘设备
语言报警器
新闻中心
公司新闻
行业新闻
常见问题
使用说明书
案例展示
在线留言
联系我们
产品选购指南
首页
>
新闻资讯
公司新闻
行业新闻
常见问题
使用说明书
GQQ5矿用本质安全型烟雾传感器使用说明书
发布时间:2021-11-01
浏览次数:
0
上一篇:
没有了!
下一篇:
ZP-12C触控传感器说明书
Copyright © 济宁安顺矿用设备有限公司 备案号:
0537-4269799
微信号:安顺矿用设备
微信二维码